欢迎来到乐鱼(中国)leyu·官方网页版!

产品 中心

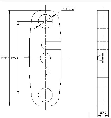
DTS-5“S”型称重传感器

产品简介:

DTS-5“S”型称重传感器,采用钢制弹性体,结构紧凑,用于拉、压力均可。 精度高、拉、压输出对称性好,性能稳定可靠,安装使用方便,过载保护结构,适用于制作机电结合秤、吊钩秤、
  • 组成部分
  • 分布图
  • 技术参数

     Main Description

测量范围Capacity

1000、2500、5000、7500、10000、20000 kg

输出灵敏度Rated Output

2.0±0.010 3.0±0.010

mV/V

非线性Linear

±0.02

%F.S

滞后Hysteresis

±0.02

%F.S

重复性Reapeatability

±0.01

%F.S

蠕变Creep

±0.02

%F.S

零点输出Zero Balance

≤±1.0

%F.S

温度补偿范围 Conpensated Temperature Range

室温~+60

零点温度补偿系数Temperature Effect On Zero

±0.02

%F.S/10 ℃

额定输出温度系数 Temperature Effect On Output

±0.02

%F.S/10 ℃

供桥电压 Excitation Voltage

10V

AC/DC

绝缘电阻Insulation Resistence

≥5000

MΩ/100VDC

输入电阻 Input Resistence

385±10

Ω

输出电阻Output Resistence

350±2

Ω

允许过载系数Safe Overload

120

%F.S

电缆连接方式Cable Connection

信号输出Singal Output: 黄:Yellow (+) 黑:Black (-)

供桥电压Excitation Voltage: 红Red: (+) 绿Green: (-)


在线订购