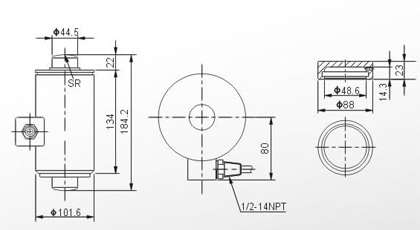
|
量程Capacity |
尺寸Size(mm) |
|
|
t |
Klb |
SR |
|
20 |
50 |
251.0 |
|
45 |
100 |
356.0 |
|
量程Capacity |
尺寸Size(mm) |
|
|
t |
Klb |
SR |
|
20 |
50 |
251.0 |
|
45 |
100 |
356.0 |
|
主 要 技 术 指 标Main Description |
|||
|
测量范围Capacity |
5、10、20、50、100、 |
kg |
|
|
输出灵敏度Rated Output |
2.0±0.010 |
mV/V |
|
|
非线性Linear |
±0.02 |
%F.S |
|
|
滞后Hysteresis |
±0.02
|
%F.S |
|
|
重复性Reapeatability |
±0.01
|
%F.S |
|
|
蠕变Creep
|
±0.02
|
%F.S |
|
|
零点输出Zero Balance |
≤±1.0
|
%F.S |
|
|
温度补偿范围 Conpensated Temperature Range |
室温~+60 |
℃ |
|
|
零点温度补偿系数Temperature Effect On Zero |
±0.02 |
%F.S/10 ℃ |
|
|
额定输出温度系数 Temperature Effect On Output
|
±0.02 |
%F.S/10 ℃ |
|
|
供桥电压 Excitation Voltage |
10V |
AC/DC |
|
|
绝缘电阻Insulation Resistence |
≥5000 |
MΩ/100VDC |
|
|
输入电阻 Input Resistence |
1150±10 |
Ω |
|
|
输出电阻Output Resistence |
1050±3 |
Ω |
|
|
允许过载系数Safe Overload |
120 |
%F.S |
|
|
电缆连接方式Cable Connection
|
信号输出Singal Output: 黄:Yellow (+) 黑:Black (-) |
||
|
供桥电压Excitation Voltage: 红Red: (+) 绿Green: (-) |
|||
在线订购