欢迎来到乐鱼(中国)leyu·官方网页版!

产品 中心

DTX-6悬臂梁传感器材质

产品简介:

DTX-6悬臂梁传感器一端固定、一端加载,外形尺寸低,良好的密封结构,自动调心、安装容易、使用方便,互换性好。 可用于制作各种超薄型地上衡、料斗秤、低平面台秤等。
  • 组成部分
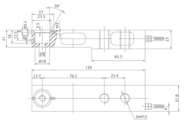
  • 分布图
  • 技术参数

主 要 技 术 指 标Main Description

测量范围Capacity

100、200、250、400、700、1300、2000

kg

 输出灵敏度Rated Output

2.0±0.010

mV/V

 非线性Linear

±0.03

%F.S

 滞后Hysteresis

±0.03

%F.S

 重复性Reapeatability

±0.02

%F.S

 蠕变Creep

±0.03

%F.S

 零点输出Zero Balance

±1.0

%F.S

 温度补偿范围 Conpensated Temperature Range

室温~+60

 零点温度补偿系数Temperature Effect On Zero

±0.02

%F.S/10 

 额定输出温度系数 Temperature Effect On Output

±0.02

%F.S/10 

 供桥电压 Excitation Voltage

10V

AC/DC

 绝缘电阻Insulation Resistence

≥5000

MΩ/100VDC

 输入电阻 Input Resistence

1105±10

Ω

 输出电阻Output Resistence

1000±5

Ω

 允许过载系数Safe Overload

120

%F.S

电缆连接方式Cable Connection

信号输出Singal Output 黄:Yellow (+) 黑:Black (-)

供桥电压Excitation Voltage Red: (+) 绿Green (-)

在线订购